24h Hotline 01803-588100 (9ct/Min)

UCPLE204 SNR Stehlagereinheit UCPLE, Graugussgehäuse


Art.Nr. (L)
A00129125
Art.Nr. (H)
UCPLE204
EAN-Code
3413529547906
Hersteller:
SNR

Verkaufsinformationen

Produktbeschreibung

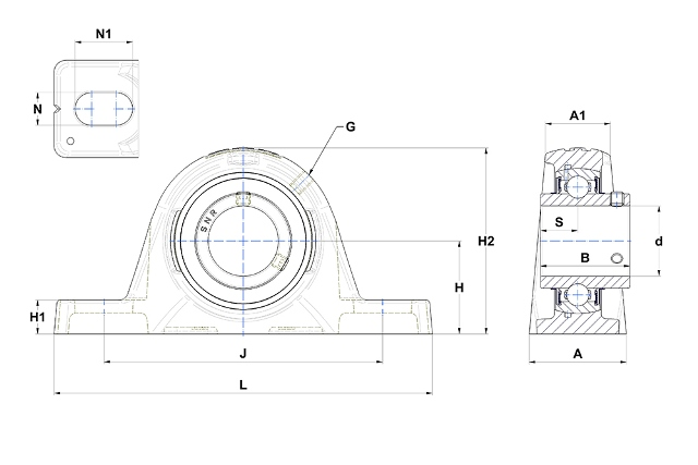
Stehlagergehäuseeinheit, Graugussgehäuse, Lagereinsatz mit Gewindestiften am Innenring, Dichtung mit Schleuderscheibe
Optionen
Aussendurchmesser in mm 47
Baureihe UCPLE200
Bezeichnung Gehäuse PLE204
Bezeichnung Lagereinsatz UC204
Breite in mm 31
Gehäusebreite in mm 32
Gehäusehöhe in mm 63,7
Gehäuselänge in mm 126,5
Innendurchmesser in mm 20
Kurzbezeichnung Stehlagereinheit
Käfig Stahlblechkäfig
Lagerluft C3
Wellendurchmesser in mm 20
Werkstoff Grauguss
Barcode:
3413529547906
Powered by DIA Connecting Software